Descrizione
CMG Solari PF-2S 500 – Bollitore Puffer 500 litri
CMG è in grado di proporre un’ampia gamma di bollitori adatti ad ogni tipologia applicativa.
Tutti i boiler ACS sono realizzati in acciaio al carbonio con trattamento interno anticorrosione in accordo con le normative europee (DIN 4753), sono dotati di un sistema completo di protezione catodica (DIN 12438) e di coibentazione in poliuretano con spessore da 55 a 100 mm a seconda della variante volumetrica.

Caratteristiche:
– Bollitore in acciaio al carbonio secondo EN 10130
– Rivestimento interno in resina epossidica
– Isolazione in poliuretano flessibile e rimovibile
– Scambiatori in acciaio
– Rivestimento in PVC effetto cuoio
– Garanzia di 5 anni
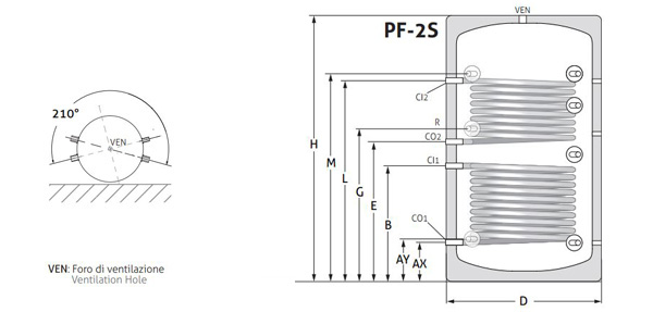
Dimensioni (mm)


Specifiche tecniche
– SERBATOIO:
Materiale: Acciaio al carbonio secondo EN 10130, spessore lamiera 2.5÷4 mm a seconda della taglia. Saldatura automatica MAG.
Pressione max. operativa: 6 bar
Pressione max. collaudo: 8 bar
Temperatura max. operativa: 95 °C
– SERPENTINI:
Materiale: Tubo in acciaio 1”, DC-01.
Pressione max. operativa: 16 bar
Pressione max. collaudo: 25 bar
Temperatura max. operativa: 160 °C
– ISOLAZIONE:
Materiale: Schiuma di poliuretano flessibile e rimovibile, densità 20 kg/m3, spessore 55-100 mm a seconda della taglia.
– RIVESTIMENTO:
Materiale: PVC morbido con effetto cuoio, colore rosso
null
https://www.solarenergypoint.it/immagini/pdf/download/solare-termico/bollitori/cmg-solari/cmg-solari-serie-pf-1s-2s-200-300-500-750-1000-1500-bollitori-puffer-200-300-500-750-1000-1500-litri-scheda-tecnica.pdf
null
null



